Первая
Новые
Читаемые
По алфавиту
Разделы
Авторы
Видео
Фото
Магазин

Не можешь бахнуть-сфоткай!

Галереи:  B50,  CZ200,  Cr1377,  T4,  T4 конкурс      
Источник : Сrosman 2100/2177
Страницы: 1  ... 153  154  155  156   [157]  158  159  160  161  ...  205 
Papasha
16-01-2011 09:25
quote:
Originally posted by RommT:
Есть подозрение, что лейнер погнула застывающая эпоксидка в фальшстволе

Ну, это вряд ли, просто сместилась бы точка попадания. Куча разъезжается из-за качества канала ствола. Могла затечь эпоксидка или что-то ещё сделал одновременно с заливкой и не обратил внимания. Раз на этом же стволе был хороший результат, значит дело не в нём.

O4ki5000
16-01-2011 09:58
Papasha дело говорит.
RommT попробуй зарядить пульку и стрельнуть в мягкое на 1-2 качках, потом глянь на пульку, может ее гдето мнет? Модера нет случайно?
RommT
16-01-2011 11:25
Пулю не мнёт, нарезы чёткие, хоть и не глубокие, 12 штук. Модера не было, а теперь есть, но на кучность он никак не повлиял, как была плохая, так и осталась. Конец ствола смотрел в сторону, пришлось спиливать 5см фальшстола, чтобы выпрямить, но куча всё-равно плохая. Даже сверх жесткая фиксация ствола путём сдавливания ствольной коробки струбциной не помогает. Правда мощность радует, и бабахает так, что уши закладывает. Но кому мощность нужна, если точности нет?
Papasha
16-01-2011 16:32
А скорость какая? Может ты уже на сверхзвук ушёл?
RommT
16-01-2011 23:10
Примерно 230м.с. Придёт хронометр точно узнаю.
АМИР 78
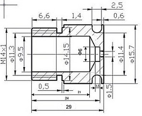
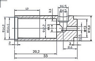
17-01-2011 22:22
господа направьте неродивого, где нарыть чертёж клапана впускнова (не конуснова)
Ваван
18-01-2011 01:07

click for enlarge 216 X 299  18,2 Kb picture
click for enlarge 461 X 640  53,3 Kb picture
click for enlarge 367 X 299  25,4 Kb picture
click for enlarge 398 X 258  22,9 Kb picture
Balag
19-01-2011 07:49
Сегодня утром заметил, что рычаг накачки "холостит"....влегкую идет его движение, но накачки самой нету. Вчера все работало штатно. Вечером буду шаманить, но можете подсказать сейчас что может быть?
Танк-032
19-01-2011 11:21
Крыска китованая или сток?
Как в холостую?
При накачке воздух выходит куда нибудь ?
Без накачки не стрелял,может шток клапана заел и находится в открытом положении.
Открути коробочку и посмотри .
Balag
19-01-2011 18:36
Кит не ставили, уставнлено все штатное. Из апа герметизировал ствол и утяжелял ударник.

Воздух нигде явно не выходит, вхолостую=сколько не качаешь, а толку 0, усилий также 0.
Как вынуть ось рычага? Что то не соображу никак. Или ее выбить нужно?

Papasha
19-01-2011 19:49
Выбить или выпрессовать. Обратно будешь ставить - разрез на оси должен быть направлен вперёд.
Наверное масла перемаслил( гипотеза такая ).
BestRex
19-01-2011 22:36
quote:
Originally posted by Добрый_Злыдень:
Помогите советом коллеги. Отломился штырёк на ударнике. Может кто сталкивался с такой поломкой? Выбил обломок, вставил укороченный обратно, хватает на несколько выстрелов и вылетает. Как сделать по уму?

У меня такое было. Высверлил остатки штырька из ударника (тебе даже это не придётся делать), подобрал винтик чуть больше диаметра дырки, забил его туда молотком, срезал шляпку - проблема решена.
Balag
20-01-2011 06:16
quote:
Originally posted by Papasha:

Выбить или выпрессовать



Долго бил молотком-в итоге ось сравнялась с цилиндром, но не вышла. Самое странное, что после этого винтовка стала стрелять, мощность потеряна не была(уровень пробиваемости такой же, с 35 накачек пуля Гамо Матч полностью входит в сосновую доску). Странно все это...сколько ни пытался-ни разу не получилось выбить штырь Мистика какая то...
Papasha
20-01-2011 12:09
Если винтовка не АПнутая, качать больше 15 раз не имеет большого смысла. Выбивать ось нужно с каким-нибудь штырём. Первый раз идёт очень туго, потом всё легче и легче.
Возможно , подклинило шток боевого клапана, а от ударов его отпустило и он встал на место.
Don Alex
20-01-2011 12:58
А когда выбивал, рычаг отведенный был? Я по запарке один раз пытался в захлопнутом состоянии выбить, пережимает ось.
Balag
20-01-2011 18:53
Будем выбивать и смотреть чо да как. Пришел вечером домой, решил сравнить мощь с 15 и 35 накачек-опять не качает
Танк-032
20-01-2011 19:21
quote:
Originally posted by Balag:

Долго бил молотком-в итоге ось сравнялась с цилиндром, но не вышла. Самое странное, что после этого винтовка стала стрелять, мощность потеряна не была



quote:
Originally posted by Papasha:

Возможно , подклинило шток боевого клапана, а от ударов его отпустило и он встал на место.


Смотри шток,у тебя там скорее всего наклёп и его клинет!!!

Balag
21-01-2011 18:23
quote:
Originally posted by Don Alex:

А когда выбивал, рычаг отведенный был? Я по запарке один раз пытался в захлопнутом состоянии выбить, пережимает ось.



Спасибо, помогло. А как вынуть накопитель и детали иже с ним? Выбивать тоже?
BestRex
21-01-2011 18:57
quote:
Originally posted by Balag:

Спасибо, помогло. А как вынуть накопитель и детали иже с ним? Выбивать тоже?


Накопитель каким-нибудь длинным штырём вытолкни.
Papasha
21-01-2011 22:03
Предварительно хорошо бы заусенцы в трубе убрать с отверстий оси рычага насоса и проточки, а то порежет резиновое колечко на накопителе.
Видеоролики
Crosman 2100 - Hunting Recommendation (Pigeon Hunting)Crosman 2100 - $60 Gets You Shootin'!Crosman 2100 - Accuracy and Velocity
Самые новые добавления в архив Фторопласт или капролон или..
Хром и никель
Иж-32БК из коллекции продам
Вопрос любителям ИЖ 46М.
Umarex Walther Lever Action СО2 - ковбой или терпила
Похожие темы Сrosman 2100/2177
Приклад на Crosman 2100/77
Внешний тюнинг Crosman 2100
Купил CROSMAN 2100. Есть нюансы
Поломался приклад Crosman 2100 Classic
Страницы: 1  ... 153  154  155  156   [157]  158  159  160  161  ...  205 
Первая    Предыдущая    Следующая    Последняя
Все темы Electra


  Начало Документация Фирмы/Сайты Фото/голоса птиц Определитель Звуки Реклама Обратная связь FAQ в начало страницы  

2006-2026 topguns.ru   ver. 24.3    redesign & programming lebedev.com

 
Rambler's Top100