Первая
Новые
Читаемые
По алфавиту
Разделы
Авторы
Видео
Фото
Магазин

ИЖ 53 ИЖ 53м

Галереи:  B50,  CZ200,  Cr1377,  T4,  T4 конкурс      
Страницы:  [1]  2  3  4  5  6  7  8  9  10  11  12  13  14  15  16  17  18  19  20  21  22  23  24  ...  26 
Mixamarket
20-12-2007 12:02
перемещено из пневматика глазами владельца


Данная тема предназначена для размещения чертежей деталей пневматического оружия.

Желающие могут выкладывать свои чертежи (с разрешения владельца и чужие) в сообщении в данной теме с четким указанием для какой модели пневматического оружия предназначена деталь и наименование детали. Далее чертеж будет отнесен к соответствующему посту, а ваше сообщение будет удалено. Это необходимо для более легкого поиска интересующих чертежей участникам форума.
Если вы выкладываете чужой чертеж, то посмотрите соответствующий пост - вдруг он там уже есть, тогда повторное его выкладывание не требуется.

В последствии, в первом посте будет создан навигатор.

П.С. на будущее для всех...
Ребяты!!! Только проверенные чертежи!!! Лажу не кладем... я конечно немного понимаю в этом деле, но немогу физически проверять все.

Mixamarket
20-12-2007 16:08
Crosman 1377
click for enlarge 543 X 220 44.5 Kb picture

Ствольная коробка
click for enlarge 1117 X 784 123.0 Kb picture
Ствольная коробка (Neznajka)
click for enlarge 1088 X 396 52,3 Kb picture
Боевой клапан
click for enlarge 798 X 1127 28,0 Kb picture
Втулка перепуска резьбовая
click for enlarge 1919 X 2710 176,0 Kb picture

Mixamarket
20-12-2007 16:27
BSA Lightning XL, Tactical XL
click for enlarge 648 X 191 35.4 Kb picture click for enlarge 500 X 131 7.5 Kb picture

Стальная направляющая под пружину BSA
click for enlarge 1920 X 1356 152.0 Kb picture
Стальная телескопическая направляющая под пружину Gamo
click for enlarge 800 X 501 44,8 Kb picture

Mixamarket
20-12-2007 16:46
ИЖ-60, 61
click for enlarge 575 X 166 12.3 Kb picture

Задник
click for enlarge 1280 X 485 266.8 Kb picture
Поршень
click for enlarge 800 X 330 33.9 Kb picture
Досылатель
click for enlarge 800 X 716 70.3 Kb picture
Шептало
click for enlarge 774 X 483 39.0 Kb picture
Цилиндр
click for enlarge 1280 X 572 322.6 Kb picture
Ствол
click for enlarge 773 X 447 80.2 Kb picture
Тяга взвода
click for enlarge 693 X 270 35.9 Kb picture
Рычаг взвода
click for enlarge 1209 X 613 124.5 Kb picture
Ствольная коробка ИЖ-61
click for enlarge 1919 X 1810 238,5 Kb picture

Mixamarket
21-12-2007 09:33
МР-512
click for enlarge 775 X 160 55.6 Kb picture

Перепуск (вариант 1)
click for enlarge 640 X 404 45.7 Kb picture
Перепуск (вариант 2)
click for enlarge 389 X 261 44.4 Kb picture
Надульник (вариант 1)
click for enlarge 1000 X 400 55.8 Kb picture
Надульник (вариант 2)
click for enlarge 900 X 326 63.8 Kb picture
Надульник (вариант 3)
click for enlarge 1064 X 725 74,9 Kb picture
Вал для шлифовки цилиндра (ВНИМАНИЕ - применять только в исключительных случаях)
click for enlarge 1757 X 1233 36.8 Kb picture
Расточка задника
click for enlarge 400 X 286 23.0 Kb picture
Утяжелитель
click for enlarge 315 X 130 3.9 Kb picture
Переходник (шайба) под манжету Gamo
(на данный момент в разработке)

Mixamarket
21-12-2007 13:05
Gamo 440 и его модификации
click for enlarge 775 X 175 13.8 Kb picture click for enlarge 675 X 152 14.8 Kb picture

Утяжелитель
click for enlarge 400 X 300 34.1 Kb picture
Направляющая
click for enlarge 699 X 312 42.5 Kb picture
Поджим пружины
click for enlarge 1213 X 871 72,3 Kb picture
фальш-затыльник
click for enlarge 640 X 480 120,5 Kb picture

Mixamarket
21-12-2007 13:43
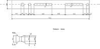
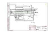
ИЖ-53
click for enlarge 575 X 267 28.3 Kb picture

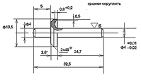
Надульник (утяжелитель ствола)
click for enlarge 400 X 151 13.2 Kb picture
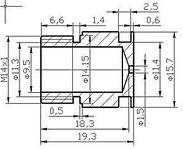
Ствольная муфта
click for enlarge 1920 X 856 270,8 Kb picture

Mixamarket
21-12-2007 17:00
MP-661K (Дрозд)
click for enlarge 675 X 311  41.9 Kb picture

Модератор однокамерный
click for enlarge 1416 X 2136 188.6 Kb picture

Mixamarket
21-12-2007 17:06
Weihrauch 77-97
click for enlarge 825 X 171 34.3 Kb picture
click for enlarge 825 X 533 67.7 Kb picture

Стальная направляющая
click for enlarge 1920 X 2563 463.2 Kb picture
Манжеты "родная" и от Oleg2100
click for enlarge 905 X 403  27,0 Kb picture

d!k
22-12-2007 12:11
Diana 54
click for enlarge 382 X 89  6.6 Kb picture

Стальная направляющая
click for enlarge 1162 X 605 65.1 Kb picture
Центрирующая шайба в поршень
click for enlarge 1237 X 960 108.8 Kb picture
Поршень к Т-01
click for enlarge 1498 X 1879 521.4 Kb picture
Более подробное описание здесь

ober
24-12-2007 18:04
MP651
click for enlarge 740 X 250 16.0 Kb picture

Испарительная камера
click for enlarge 1118 X 815 141.8 Kb picture click for enlarge 860 X 1216 29.6 Kb picture click for enlarge 860 X 1216 163.7 Kb picture

ycb1
28-12-2007 23:04
Diana 46
click for enlarge 701 X 200 44,5 Kb picture

Муфта рычага взвода
click for enlarge 1920 X 1440 486,5 Kb picture

ЭйМС
10-01-2008 15:32
Hatsan 60,70
click for enlarge 641 X 110 5,6 Kb picture

Заготовка тяжелого поршня с рабочим ходом до 110мм. Грибок под манжету - отдельна деталь.
Окно под зацеп шептала дорабатывается надфилем в зависимости от его размеров и формы.
click for enlarge 500 X 329 15,1 Kb picture
Фото готового поршня (обратить внимание на форму паза в юбке поршня).
click for enlarge 1920 X 1440 115,2 Kb picture
Надульник
click for enlarge 1124 X 808 159,9 Kb picture

Adminend
18-01-2008 12:04
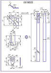
РПШ
click for enlarge 350 X 263 28,4 Kb picture

Клапан, корпус и дозаторный узел
click for enlarge 693 X 537 14,1 Kb picture

wwwqqqUA
25-01-2008 13:23
QB78
click for enlarge 450 X 118 8,5 Kb picture
Кит для перевода на воздух (имеются ошибки, требуются уточнения)
click for enlarge 1207 X 694 58,8 Kb picture click for enlarge 1207 X 694 63,4 Kb picture click for enlarge 1207 X 694 78,6 Kb picture
click for enlarge 1207 X 694 45,1 Kb picture click for enlarge 1918 X 947 59,8 Kb picture
docalex
04-02-2008 12:56
Airmagnum-850.
click for enlarge 623 X 154 7,7 Kb picture

Шток-тарелка боевого клапана (материал Ст.40 Х, Ст.45(~14 Дж для СО2 only!))
click for enlarge 600 X 350 32,1 Kb picture

ycb1
12-03-2008 23:35
Diana 460 Magnum
click for enlarge 704 X 203 42,2 Kb picture
Муфта рычага взвода
click for enlarge 1919 X 1394 221,4 Kb picture
Надульник с возможностью установки модератора
click for enlarge 399 X 242  24,4 Kb picture
ioxx
20-03-2008 21:25
Crosman 2100 Classic
click for enlarge 543 X 220 22,7 Kb picture
Модератор
click for enlarge 1600 X 1280 141,9 Kb picture
Насос
click for enlarge 1600 X 1280 130,4 Kb picture
Накопитель
click for enlarge 298 X 193 11,2 Kb picture click for enlarge 299 X 244 12,6 Kb picture
Mixamarket
27-03-2008 14:29
Norica Storm
click for enlarge 800 X 603 35,0 Kb picture

Модератор
click for enlarge 1280 X 303 40,9 Kb picture
click for enlarge 1280 X 636 94,4 Kb picture
click for enlarge 1280 X 868 86,8 Kb picture
click for enlarge 1280 X 897 108,1 Kb picture
click for enlarge 1280 X 1024 137,3 Kb picture

Adminend
08-04-2008 14:22
Аксессуары
Сошки
click for enlarge 1125 X 951 88,0 Kb picture click for enlarge 1555 X 1271 291,8 Kb picture click for enlarge 820 X 1152 162,9 Kb picture click for enlarge 820 X 1152 190,3 Kb picture
Видеоролики
Мини Дартс на базе зажигалкиBeretta PX4 Storm Recon (CO2)Что купить? PCP винтовка или 22 LR. Пневматика против Мелкашки. Тест.
Самые новые добавления в архив Фторопласт или капролон или..
Хром и никель
Иж-32БК из коллекции продам
Вопрос любителям ИЖ 46М.
Umarex Walther Lever Action СО2 - ковбой или терпила
Похожие темы офф: манометрам WILA посвящается...
FAQ по охоте на стеклотару.
Краткий русский мануал по БК Chair Gun2 (build 0.8)
Создание Мощной Пневматики
Отблагодарила по царски :)
Страницы:  [1]  2  3  4  5  6  7  8  9  10  11  12  13  14  15  16  17  18  19  20  21  22  23  24  ...  26 
Следующая    Последняя
Все темы Mixamarket


  Начало Документация Фирмы/Сайты Фото/голоса птиц Определитель Звуки Реклама Обратная связь FAQ в начало страницы  

2006-2026 topguns.ru   ver. 24.3    redesign & programming lebedev.com

 
Rambler's Top100