Первая
Новые
Читаемые
По алфавиту
Разделы
Авторы
Видео
Фото
Магазин

Вайраух 97к: у кого какой прицел?

Галереи:  B50,  CZ200,  Cr1377,  T4,  T4 конкурс      
Страницы: 1  ... 114  115  116   [117]  118  119  120  121  122 
kazak2301
18-12-2014 20:45
Всем привет!кто нибудь при тюне обезал перемычки па ручке мр654к?как потом обойма с балоном зайдет?
Grimial
12-02-2015 11:27
Всем привет! Принимайте в свои ряды. На днях купил мр654к 32, без пескоструя, красный зип. См.фото
800 x 600
800 x 600

Android965
03-03-2015 08:56
Продублирую и сюда пост из соседней темы
как подведение некоего итога многолетней эксплуатации сабжа.

Давно (с год) вынашивал коварный план - концепцию 2-х разных МР-654К: один попроще для бабахинга, второй - какой-нибудь интересный экземпляр.

Аппарат для бабахинга собрал ешё в прошлом году на базе обыкновенного МР-654К 2007 г.в. с обычным литым "поджатоносым" затвором. А вот второй удачно подвернулся (можно сказать, материализовался) совсем недавно в виде т.н. "Чавеса" (подробнее - тут ).

Вверху - "Бабах", внизу "Чавес".

Более подробное описание.

1. "Бабах" (2007 г.в., литой затвор).

-гладкий ствол с резьбой для дульных устройств - удлинитель, насадка для запуска "Сигнала охотника" (на фото не показаны);
-"круглая" гайка ствола;
-полиуретановая ствольная прокладка;
-возвратная и боевая пружины от ПМ;
-"голова" магазина с позиционирующим винтом;
-чёрный литой курок от ПМ/ИЖ-79 с лункой для шляпки ударника;
-оболочка рукояти Pearce Grip;
-потайной поджимной винт;
-"широкий" целик от ПМ.

Масса (неснаряжённого) - 755 г.

Отличается лёгкой и плавной работой УСМ/флажка предохранителя (пристучалось и притёрлось в ходе эксплуатации).

НСП: 135 м/с без удлинителя ствола, с удлинителем - 160 м/с.

2. "Чавес", он же "венесуэлец" (2007 г.в., фрезерованный затвор с "бородой" и прочими кошерностями).

-"круглая" гайка ствола (с доработкой под фрезерованный затвор);
-возвратная и боевая пружины от ПМ;
-чёрный литой курок от ПМ/ИЖ-79 с лункой для шляпки ударника;
-полнотелая "дубовая" оболочка рукояти с антабкой и стаканом в отверстии;
-потайной поджимной винт.

Масса (неснаряжённого) - 806 г.

Отличается более тугой работой УСМ и флажка предохранителя.

НСП: 102 м/с.

В общем, "сбылась мечта идиота" - таки образовалось 2 экстерьерно/тактильно/функционально разных 654-ых.

Android965
03-03-2015 09:48
Заметки о методах замены штатного курка на деталь от ПМ/ИЖ-79.

Мне известны и испробованы на практике три способа организации взаимодействия курка от огнестрельных/газовых образцов на базе ПМ с ударником МР-654К.

Тип 1. Укорочение шляпки ударника

В некоторых случаях - с дополнительным укорочением тела ударника со стороны бойка. Насколько мне известно, хронологически самый ранний и технологически один из самых простых методов - из инструментов требуется только надфиль (с тисками удобнее).

Эскизы:
а) ударник (впервые опубликовано тут, пост #9 от 12-3-2007).

400 x 191


б) шляпка ударника (впервые опубликовано тут, пост #12 от 2-4-2007).

207 x 191

Достоинство: экстерьер (наиболее близок к "огнестрельному").

Недостаток: явно ограниченный ресурс (по моему опыту - через 2-4 тыс. выстрелов оставшаяся часть шляпки начинает пластически деформироваться и отрываться от тела ударника).

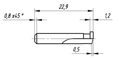
Тип 2. Утапливание шляпки ударника в затвор.
(впервые опубликовано в этой теме, пост #2578 от 9-6-2013)

Технологически сложнее, чем Тип 1 - помимо укорочения
тела ударника, требует расширения канала ударника для размещения шляпки (зенковка, обработка цилиндрической фрезой).

Фото.

Ударник.

368 x 299

Канал ударника раззенкован на глубину 2 мм полусферической и цилиндрической фрезами Ф6 мм, с доводкой алмазной цилиндрической шарошкой Ф2,5 мм.

269 x 388

Овальность обусловлена исключительно кривизной верхних конечностей автора . Немаловажный момент - вовремя остановиться и не досверлить до отверстия под ось флажка предохранителя - я оставил около 1 мм.

400 x 300

Вид сзади в сборе

325 x 467

Вид сверху (ударник в крайнем переднем положении, т.е. соприкасается со штоком клапана).

368 x 230

Потенциальное достоинство: ресурс (длительные испытания такого образца провести не состоялись по причине его продажи ).

Внешний вид - 50/50: курок остаётся в оригинальной конфигурации, но бросается в глаза уширение канала ударника.

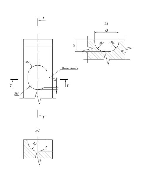
Тип 3. Лунка в курке под шляпку ударника.
(чертёж впервые опубликован в этой теме, пост #2618 от 27-4-2014; принципиальная идея впервые озвучена здесь в посте #781 от 7-12-2013)

Технологически и экстерьерно компромиссный вариант: в курке вырезается фигурная лунка (я делал микроэлектродрелью с алмазной сферической фрезой и масляным охлаждением - в общей сложности уходит 10 минут с 3-мя примерками по месту), ударник остаётся в исходном виде.

Эскиз:

click for enlarge 1280 X 1600 76.1 Kb

Фото:

click for enlarge 807 X 990 441.7 Kb

Экстерьерно - слегка не дотягивает до "огнестрельного" образа и близкого к нему Типа 1, но явно лучше Типа 2 - небольшая лунка в курке всё же эстетичнее, чем "раструб" канала ударника.
Ресурс - приемлемый (явно выше такового у Типа 2) и потенциально значительный: мой образец с такой доработкой уже отработал несколько тыс. выстрелов без замечаний и происшествий, деформаций/разрушения деталей не обнаружено.
Данный тип считаю наиболее оптимальным для хоть иногда стреляющего образца (чисто декоративный "полочник" можно доработать и по Типу 1).

Хочу заметить, что во всех трёх случаях в обязательном порядке необходима проверка чёткого функционирования безопасного спуска курка, а в случае отсутствия такового (достижения курком ударника из положения "боевой взвод" при переводе флажка предохранителя в верхнее положение) - доработка деталей до его обеспечения.

Android965
03-03-2015 23:03
Cравнительный анализ величин НСП в зависимости от типа/длины ствола и других узлов на основе испытаний вышеописанных образцов.

Условия:

а) измерительный прибор - хронограф ИБХ-716;
б) боеприпас - омеднённые стальные шары отечественного производства;
в) место - закрытое отапливаемое помещение с комнатной температурой.
г) интервал между выстрелами - 3-5 с.

Результаты.

1. Штатный нарезной ствол, штатная ствольная прокладка, штатный магазин, боевая пружина и курок от ПМ ("Чавес") - 102 м/с.

2. Гладкий ствол штатной длины, полиуретановая ствольная прокладка, магазин с позиционирующим винтом, боевая пружина и курок от ПМ ("Бабах" без удлинителя) - 135 м/с.

3. Гладкий ствол штатной длины с удлинителем, полиуретановая ствольная прокладка, "голова" магазина с позиционирующим винтом, боевая пружина и курок от ПМ ("Бабах" с удлинителем) - 160 м/с.

Таким образом, гладкий ствол штатной длины (без учёта влияния полиуретановой прокладки) и "голова" магазина с винтом дали средний прирост в 33 м/с, а удлинитель-"фальшглушитель" - ещё приблизительно 25 м/с.

Разумеется, результаты частные и конкретных пистолетов - посему их точное повторение на других экземплярах маловероятно.

Непушист
03-03-2015 23:29
цитата:
Originally posted by Android965:

3. Гладкий ствол штатной длины с удлинителем, полиуретановая ствольная прокладка, "голова" магазина с позиционирующим винтом, боевая пружина и курок от ПМ ("Бабахинговый" с удлинителем) - 160 м/с.



цитата:
Originally posted by Android965:

Разумеется, результаты частные и конкретных пистолетов - посему их точное повторение на других экземплярах маловероятно.



Обычно так и прибавляется на всех, причем замечу, даже без головы с позиц. винтом...
Android965
03-03-2015 23:39
цитата:
Originally posted by Непушист:

Обычно так и прибавляется на всех


Есть, правда, пикантный нюанс - не помню, какой именно обтюратор стоит на "Бабахе". Вполне возможно, что "новой генерации" (если не ошибаюсь, объёма для расширения в нём побольше).

цитата:
Originally posted by Непушист:

головы с позиц. винтом...


Встречал мнение, что не так важен этот винт, как его малюют.
Да и сама новая "голова" по внутренним размерам и объёмам может отличаться в большую сторону от прежнего корпуса клапанного узла.

Непушист
03-03-2015 23:46
цитата:
Originally posted by Android965:

Встречал мнение, что не так важен этот винт, как его малюют.



Я вот тоже так имхаю.
Кмк это из серии волшебной фторопластовой прокладки, от которой вреда больше чем пользы. Для юзера. А производителям надо кушайт, так что для них как раз все наобормот.

цитата:
Originally posted by Android965:

если не ошибаюсь, объёма для расширения в нём побольше



Побольше. Но это скорее большую стабильность от выстрела к выстрелу по мысам дает. Чем сами мысы заметно увеличивает. Да и разница при таком малом общем объеме камеры - это из серии "у кого длиннее - у воробья или у поползня"...
Android965
04-03-2015 12:33
цитата:
Originally posted by Непушист:

Кмк это из серии волшебной фторопластовой прокладки


К слову, замена "головы" на "Бабахе" была продиктована объективной необходимостью - пистолет приобретён на вторичном рынке и достался с "головой" от 32-ой серии, изначально лишённой пазов под зацепы гайки (да и гайка, ЕМНИП, там была "беззубая").
Что называется, пользуясь случаем - всё одно менять, решил испытать "башку с винтом".
А распиаренная фторопластовая прокладка - то да, больше маркетинг. Фторопласт к циклическому сжатию-расжатию (извлечение/присоединение магазина) не приспособлен по причине холодной текучести и относительно невысокой упругости/эластичности (медленно, но верно расплющивается под нагрузкой от "головы" магазина). По этой же причине это чудо весьма неудобно устанавливать - не пружинит, занимая всю коническую канавку, а гнётся, заворачивается - в общем, всячески пластически деформируется (признаюсь: по молодости и глупости как-то прикупил из интереса фторуплотнение ).

Вот полиуретановая - совсем другое дело. Хотя бы устанавливается резво.

Непушист
05-03-2015 23:26
цитата:
Originally posted by Android965:

Вот полиуретановая - совсем другое дело. Хотя бы устанавливается резво.



Я наверное буду скоро проклят изготовителями этих прокладок, но истЕна дороже. Поэтому везде к слову ее чмырю и чмырить буду. Т. к. это натуральное лошение лохов, от которого если и есть толк, то он лишь в силе самоубеждения. Которое однако один хрен не отменит деформацию с запоминанием формы и трудности с запихиванием-выпихиванием магазина. Ценность этого мегаизобретения одна, но она юзера не касается - врубил станок, наточил пару вагонов и продавай какашку ценой в 80 копеек по конской цене. Это ж не пресс-форму грамотную сделать под нормальную эластичную прокладку.
Гадюкин161
06-03-2015 16:45
цитата:
Это ж не пресс-форму грамотную сделать под нормальную эластичную прокладку.

Абсолютно солидарен. Смысл в неэластичной прокладке, по моему мнению, отсутствует начисто. Сам использую обычные надбаллонные прокладки, с расширенным 4,5 мм раскаленным (без фанатизма) сверлом. Работают вполне себе удовлетворительно.
С уважением.
plia
07-03-2015 13:09
Камрады,что за зверь:


click for enlarge 1280 X 960 158.9 Kb
click for enlarge 1280 X 960 230.5 Kb

Непушист
07-03-2015 18:48
цитата:
Originally posted by plia:

что за зверь



Обычный 654 с легкой газовой небритостью и вырезом под экстрактор. В целом в весьма удручающем состоянии.
plia
07-03-2015 19:01
цитата:
Изначально написано Непушист:

Обычный 654 с легкой газовой небритостью и вырезом под экстрактор. В целом в весьма удручающем состоянии.


спасибо!
Непушист
07-03-2015 22:33
Та нема за шо.

Android965
08-03-2015 21:56
Прогулялся на фазенду, прихватив "Бабах"-девайс.

Углубившись в лесной массив, потестировал дульную насадку для запуска "Сигнала охотника". Радости полные штаны Как мало идиоту человеку надо для счастья!

Кстати, принцип действия 654 (инициируемый только лишь воздействием курка на ударник выстрел из магазина), с одной стороны, является объектом критики, с другой - позволяет реализовать незадокументированную возможность под названием "стрельба по-ковбойски": выжав до отказа СК, ладонью второй руки люто, бешено в быстром темпе отводить курок назад (эдакий ручной самовзвод). Шаромётам же по схеме с забирающим шар из магазина подвижным стволом сие таинство недоступно, т.к. весь механизм приводится в действие только нажатием на СК.
Таким способом можно неплохо разнообразить банальный расстрел банки 0,5 л .

В общем, со своей функцией - потешное времяпрепровождение на открытом воздухе - агрегат справился вполне.

Небольшой казус был при наколе первого (из трёх) баллона - некоторое время (около 10 с.) "сифонила" (правда, несильно - чуть слышно, утекло около 1-2 г. углекислоты) прокладка на штоке, затем негерметичность самоликвидировалась и более не возникала. Возможно, сказалось то, что предыдущий раз пистолет "нюхал CO2" ещё в прошлом году - уплотнение "ссохлось", потом "подразбухло" и самозагерметизировалось (подобно деревянной бочке ) .
К слову, не припомню такого - в моей практике это уплотнение, как правило, если и теряло герметичность - то однозначно и необратимо, т.е. под замену. А тут "реанимировалось".

Sobaka1970
08-03-2015 22:52
цитата:
Изначально написано Непушист:

Обычный 654 с легкой газовой небритостью и вырезом под экстрактор. В целом в весьма удручающем состоянии.

Кстати довольно часто попадается в обычных коробках.

Непушист
08-03-2015 23:25
цитата:
Originally posted by Android965:

Кстати, принцип действия 654 (инициируемый только лишь воздействием курка на ударник выстрел из магазина), с одной стороны, является объектом критики



Да критики-то ладно. Но даже воинствующего идиотизма отдельных местных персонажей... Словно бы есть какая-то принципиальная разница, как именно пуляет шарик развлекательный пистолет, из магазина ли, с предварительным ли досыланием...
Android965
09-03-2015 12:14
цитата:
Originally posted by Непушист:

Словно бы есть какая-то принципиальная разница, как именно пуляет шарик развлекательный пистолет, из магазина ли, с предварительным ли досыланием...


Помнится, как-то в топике про один стреляющий кирпич (с досыланием подвижным стволом) по "многочисленным заявкам трудящихся" кирпич-юзерами таки были обнародованы результаты баллистической экспертизы фото мишеней - ничего экстраординарного (или хотя бы выдающегося) сверх типичной шаропепячной "осыпи" там не было.

Возможно, с точки зрения технической эстетики или эффективности герметизации схема с досыланием и правильнее. Но судя по конечному результату, вундервафлю из шаропяча она таки не делает.

цитата:
Originally posted by Непушист:

Но даже воинствующего идиотизма отдельных местных персонажей


Вот, кстати, по этой тематике хотел изложить наблюдения.
Неоднократно замечал в различных здешних темах про шаромёты гневно-изобличительные посты отдельных индивидуумов, проповедующих о том, что "негоже взрослым мужукам энти играшки шаропучные обсуждать!!!111" и т.п.
Непонятна мотивация сих мыслеизлияний: то ли навязчивая идея донести до плебса своё архиважное и архиавторитетное нравоучительное "фэ" по поводу презренных шаропукелей ("мне настолько по барабану, что я не могу молчать об этом" ), то ли комплекс гиперкомпенсации ("вы тут все дитяти, ибо в шаромётики ещё играете, а я вот не играю и потому уже большой и умный дядя").

Непушист
09-03-2015 06:14
цитата:
Originally posted by Android965:

комплекс гиперкомпенсации



Нуачо. Ганза вообще широчайшее поле исследований для психологов и психиатров всех профилей.
А ведь казалось бы с таким же успехом можно придти на форум филателистов и с пеной у рта доказывать, что марки - это, строгогоря, такие разноцветные бумажки. Вопрос, что собсно делает такой человек на форуме филателистов...
Видеоролики
Пневматический пистолет ИЖмех Байкал МР-654К "Макаров"Baikal MP-654K Замеры скорости пули2004 Baikal Makarov mp-654k review
Самые новые добавления в архив Фторопласт или капролон или..
Хром и никель
Иж-32БК из коллекции продам
Вопрос любителям ИЖ 46М.
Umarex Walther Lever Action СО2 - ковбой или терпила
Похожие темы МР-654К новая версия
Новая песня о старом или МР-654К : Внешний тюн
МР 654-КМ новинка Ижмеха
Проект Вальмак - вальтерообразный шаромет на базе МР-654К
Доработка МР-654к (мои мысли и методы)
Страницы: 1  ... 114  115  116   [117]  118  119  120  121  122 
Первая    Предыдущая    Следующая    Последняя
Все темы Urza


  Начало Документация Фирмы/Сайты Фото/голоса птиц Определитель Звуки Реклама Обратная связь FAQ в начало страницы  

2006-2026 topguns.ru   ver. 24.3    redesign & programming lebedev.com

 
Rambler's Top100