Первая
Новые
Читаемые
По алфавиту
Разделы
Авторы
Видео
Фото
Магазин

Weihrauch HW 57

Галереи:  B50,  CZ200,  Cr1377,  T4,  T4 конкурс      
Источник : Diana 48b диана 48, 52
Страницы: 1  ... 291  292  293  294  295  296  297  298   [299]  
GreyNVKZ
31-01-2023 14:43
quote:
Изначально написано GreyNVKZ:
Посмотрел, все нормально, родная манжета даже хорошая, не стал менять, перепуск как проверить на герметичность у дианы? или сразу на вадовский заменить и не парится? Разобрал, ничего не менял, пересмазал, пружину перевернул, выдает пулькой дц 84 года триста10 м/с. До чего мягко работает система взведения у дианы, как буд-то гп стоит.

WRCMaN
02-02-2023 10:56
Товарищ приобрел Ди 48 без пружины интересуется можно ли подобрать пружину для настройки до 7.5Дж? Будет ли работать корректно со штатным перепуском или его тоже придушить?
Стивен
02-02-2023 21:59
quote:
Изначально написано WRCMaN:
Товарищ приобрел Ди 48 без пружины интересуется можно ли подобрать пружину для настройки до 7.5Дж? Будет ли работать корректно со штатным перепуском или его тоже придушить?

Не та это винтовка, чтобы стрелять до 7.5!

Можно и пружину подобрать и с перепуском поэкспериментировать, только пуля так плотно будет сидеть в стволе, что ее не получится низким давлением "выплюнуть"! А поставишшь чуть посильнее пружину, чтобы пуля вылетала, уже будет энергия выше 7.5!

GreyNVKZ
03-02-2023 06:45
А расскажите пожалуйста про укрепление штока поршня? зачем это делается? на каких версиях винтовки? на каких пружинах? и можно ли обойтись без этой процедуры7
Стивен
03-02-2023 21:20
Если поршень сделан не качественно, то шток будет постепенно разбалтываться. Поэтому его и укрепляют.
Если все таки нормальное качество изготовления, то и проблем не будет.
EvCl
25-05-2023 20:25
Владельцы саундмодераторов на 48 модель, поругайте-похвалите свои девайсы. Нахожусь в выборе, много информации, но больше рекламной. Хотелось бы реальных отзывов. Задача - более комфортно стрелять на даче, чтобы соседи не дергались.
Eletron23
26-05-2023 06:12
Модер от ДианаРВС очень даже неплох. Сравнивал , находясь поодаль, с ним и без него.
Zarechkin
08-08-2023 09:57
quote:
Изначально написано EvCl:
Владельцы саундмодераторов на 48 модель, поругайте-похвалите свои девайсы. Нахожусь в выборе, много информации, но больше рекламной. Хотелось бы реальных отзывов. Задача - более комфортно стрелять на даче, чтобы соседи не дергались.

У меня, емнип, от Диана рвс модер. Даже с бигудями .
Сам за лязгом механизмов разницы не ощутил. Парни, что мишень караулили (чуть в стороне и за укрытием, естественно) говорили, что с ним, вроде как, потише. Хозяин дачи потом говорил, что мы всех соседей "своим ружьем" перепугали. Черт их знает, может они вида испугались? Или стука пульки о деревяху, да только от этого всего модер не спасает. И стук о дерево/металл даже на 50 метрах - О-ГО-ГО!
Вот и принимайте взрослое взвешенное решение нужен ли он Вам, если стрельба в тире? Стрелял как в подвальном тире с эхом, так и на открытой местности: стрелку все равно. Механизмы работают громче выстрела.
MOISHANSK
13-08-2023 12:01
quote:
Originally posted by EvCl:

саундмодераторов на 48 модель,



После установки на винтовку , в процессе первоначальной пристрелки , м/у стрелком и мишенью ( размещённой на деревянной стене) проходил кот ( чужой , со стрелявшими не знакомый) , повернулся и посмотрел на копашащися стрелков . После выстрела приостановился , посмотрел в сторону мишени , на стрелков , ни какой опасности для себя не увидел , чего это было очевидно тоже не понял и продолжил спокойно двигаться далее . При втором выстреле реакция аналогичная ( звук у мишени он похоже вообще со стрелками ни как ни связал).
Без установленного модера даже домашние и соседские кошки ( подпускающие к себе стрелявших , т.к. хорошо их знают) быстренько сваливали из полязрения после первого же выстрела , не зависимо от направления выстрела.
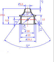
Катушки - 3Д печать , Передняя заглушка - сталь ( не принципиально) ,но в данном случае - для балланса . Задняя заглушка - пластик (капролон , но не принципиально); кольцо-проставка - 3Д печать ( не принципиально). Корпус - Ф25/Ф29/170 сталь . Заглушки и проставка - закреплены уст.винтиками , катушки ( 5 или .. ?) - просто плотно вставлены в корпус и зажаты п. заглушкой и кольцом . Крепление на ствол - уст. винты ч/кольцо и з. заглушку , ну и естественно упор в трубку фальшствола .
3Д рисунок спёрт с интернета , размеры - реальные .
click for enlarge 584 X 555 22.2 Kb
213 x 240 click for enlarge 434 X 495 30.3 Kb
пс: з.заглушка не показана , но по сути - это кольцо-проставка с конусной частью ; основание конуса - Ф29 , вершина - Ф20-21 (не принципиально).
ANTK
09-11-2023 21:12
Всем привет.
Есть у кого ослабленная пружина? Дайте размеры пожалуйста.
Интересует диаметр, толщина прутка, количество витков и длина пружины в свободном состоянии.
Родная лопнула второй раз, теперь даже предсжатия нет. Надо что то подбирать.
Eletron23
10-11-2023 17:55
Ослабленная для диан 48-56 : диаметр 21 мм, толщина проволоки 2,5 мм , 37,5 витков , длина 293 мм - но она некоторое время стояла в винтовке, поэтому новая чуть подлиннее будет.Я бы обрезал от мр-513 или вам чтобы 7,5 Дж было ?
ANTK
10-11-2023 18:54
Спасибо.
Да, хочу в 7.5 оставить. У меня уже второй круг пневманутости в пути аирганера. Вернулся в 4и5 и малые желуди. Для чугунных ванн 308й есть.
CyberHunter
19-11-2023 23:46
Подскажите, загонник вомз пилад 1-4х выдержит di-48? Кто нибудь пробовал?
MOISHANSK
20-11-2023 16:18
А кратность планируешь менять ? Просто если нет , то наверное есть смысл взять вомз 4х32 и причём старого типа ( трубы окуляра и объектива имеют длинный конус - он внутри сделан немного иначе чем те что сейчас выпускают и более пригоден для использования на пневматике ( из-за обратной отдачи в ППП) . Ну и есть мнение что постоянники более живучи на пневме .
пс: не , если у тебя джульбарсы соответствуют современным требованиям - то можно даже и карандаш прилепить и ни чего не будет .
CyberHunter
21-11-2023 01:04
Да, у меня конечно все соответствует. 7.5дж как по паспорту
ANTK
22-11-2023 23:33
На загоннике параллакс наверняка метров от 100 отстроен. Что с ним делать на пневматических дистанциях, тем более в 7 Дж?
MOISHANSK
23-11-2023 12:30
quote:
Originally posted by ANTK:

параллакс наверняка метров от 100 отстроен



Вомз 4х32 , вомз 3,5х20 и подобные - на сколько там паралакс отстроен ? А вполне ставят и работает . Я 3,5х20 ставил на ИЖ 60 пластик ( а его и на 7 не факт что разгонишь) - на 10-15 м - вполне себе комфортно стрелять и незаметно паралакса . + можно и самому перепаралаксить немного .
ANTK
23-11-2023 16:21
Ну у каждого свои цели конечно. Я с шестидесятых на 10 м стреляю в точку 6 мм. На листе А4 их 25 штук примерно умещается. В такую мишень пнем вомз 3,5х20 целиться КМК тяжеловато.
Для малократников до 4х оптимальна цель размером 30-40 мм до 50 м. По своему комплекту Леший1 с бревисом сужу. Убойка 40 мм череповской мишени на полтинике поражается достаточно комфортно, правда леший в шестерке и баллистика у него на полтинике далеко не как у 4,5 в 7 желудях.
quote:
и подобные - на сколько там паралакс отстроен

Все охотничьи прицелы (которые без колеса фокуса) как правило не имеют влияния эффекта паралакса на дистанциях более 100 м для отечественных производителей и 100 ярдов для буржуинов. Ну и конечно на малократной оптике сей эффект выражен гораздо меньше, чем на телескопах кратностью 24 и выше.
Grig.m
01-12-2023 18:52
Доброго. Подскажите толщину шайб( мет. и рез.) крепления ложа(Ди54) На взрыв-схеме 78 и 79
click for enlarge 1196 X 630  54.7 Kb
Видеоролики
RWS 350 Pro Compact ReviewRWS Diana 300R ReloadingRWS 34P Pro Compact in .177 - Provided by Umarex USA
Самые новые добавления в архив Фторопласт или капролон или..
Хром и никель
Иж-32БК из коллекции продам
Вопрос любителям ИЖ 46М.
Umarex Walther Lever Action СО2 - ковбой или терпила
Похожие темы Diana model 3
Обвес для Дианы - щека и регзатыльник
Diana 52 особенности покупки, реальные ТТХ
Обсуждение Diana d350 magnum ( диана д350 д 350 )
Diana 48b диана 48, 52
Страницы: 1  ... 291  292  293  294  295  296  297  298   [299]  
Первая   Предыдущая
Все темы prockofev


  Начало Документация Фирмы/Сайты Фото/голоса птиц Определитель Звуки Реклама Обратная связь FAQ в начало страницы  

2006-2026 topguns.ru   ver. 24.3    redesign & programming lebedev.com

 
Rambler's Top100