Первая
Новые
Читаемые
По алфавиту
Разделы
Авторы
Видео
Фото
Магазин

Hatsan-70 Рестайлинг

Галереи:  B50,  CZ200,  Cr1377,  T4,  T4 конкурс      
Страницы: 1  ... 122  123  124  125   [126]  127  128  129  130  ...  264 
firefox
21-03-2010 19:32
quote:
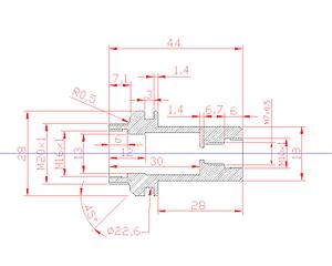
А никто не поделится размерами корпуса редуктора т4

держи. Только резьба не 10х1 а 10х0,75 и еще насчет резьбы 7х0,5 сомневаюсь, это я под себя правил
click for enlarge 1600 X 1280 138,1 Kb picture
Demyan
21-03-2010 19:37
Тибериус - можно недокрученый резик натянуть вбок задуть и он так и останется. Можно косо поставить шину и коробку. Можно недокрутить ствол во втулке и погнуть сам стволик. А чем тебе кожух мешает? Верни его на место поставь оптику на шину и все...

Тролль - полигонал не очень.
А делать надо было грузик. Или скоростью поиграть или и то и другое. прозедура то всем известная:-)
Отстреляй пожалста по бр мишени на 25 метров и посмотрим насколько все плохо.

firefox
21-03-2010 19:43
quote:
Originally posted by Demyan:

Фаерфокс - нехорошо дразнится апокрифами.



Это я из уважения. Лучшей охотничьей винтовки я пока не видел.
pcmist
21-03-2010 23:14
нубский вопрос - при замене ложа на Т-4 с карабина на буллпап я так понимаю надо модифицировать УСМ ? есть какие-то киты для этого или у булколожа в комплекте тяга идёт ?
Demyan
21-03-2010 23:27
Пессимист:-) вместе с булколожей можно взять булкоспук. В Питере тот же Дрикс поможет поставить. Но можно и самому.

фаерфокс - спасибо конечно. Раз в полгода кто нить похвалит. Скажи ведь правда, - Что Вайраух 100 страшное уежище по сравнению с удобной и точной Т4? Или только я и Шерешнь так думает?

n1ce
21-03-2010 23:48
а я?
Demyan
22-03-2010 12:06
Ну и ты. Ну еще несколько человек. Все наверно...
Тролль
22-03-2010 12:35
quote:
Originally posted by Demyan:
Отстреляй пожалста по бр мишени на 25 метров и посмотрим насколько все плохо.

отстреляю, посмотрим
pcmist
22-03-2010 20:52
второй вопрос про булколоже для Т-4.
Оно 100% совместимо по внутренним вырезам с карабино-ложем ?
Есть мысль взять булколоже и периодически менять его местами с карабиноложем, смотря какой вид охоты будет - в лесу или из машины.

Правильно я понимаю, что достаточно будет взят две вещи - булколоже и тягу для УСМ ?

Demyan
22-03-2010 21:58
ага. совместимо 100%. Достаточно тяг. И кажется винты на булке подлинее.
pcmist
22-03-2010 22:00
Понял, спасибо.
pcmist
23-03-2010 12:19
Уважаемый Демьян, пожалуйста расставьте точки над И в плане сервисного обслуживания клиентов. Я в Питере. Нужен спусковой крючок и винт с проушиной для ремня, который вкручивается в ложе. КТО мне его пришлёт ?
Дрикс на Вас кивает, Вы на него...
Borshevich
23-03-2010 12:29
Мне что ли выслать? )))
pcmist
23-03-2010 12:35
Если честно мне всё равно, лишь бы дёшево и быстро.
Borshevich
23-03-2010 12:38
Да я шучу, - я далеко, поэтому быстро - никак.
Ну и "дешево" на 100р пересыла дороже.
И спусковых крючков на это дела у меня нема.
OdinMSC
23-03-2010 04:52
Всем привет. Т4 течёт. Тёк со стволом 5.5, неделю после перестволения на 6.35 не тёк, потом опять потёк. Течёт походу через редуктор, потому как пробки обливал маслом, не пузырят, стравочный винт тож не пузырит, заправочное тож молчит. Варианты лечения кроме поездки в ДАК ? Кузнецу везти ? )
И ещё.. Винт приобретал с рук, должна ли была идти к комплекту для перестволения на 6.35 задняя пробка или редуктор ? В комплекте был досылатель, пружина ударника, шток и чет типа утяжелителя. Что с утяжелителем, что без него, больше д40 мысов поднять не получилось, регулировочный винт вообще даёт слабые изменения в скорости, по-ходу дела перерасход есть, потому что шлёпает ну оооочень громко.
Существует ли возможность приобрести в ДАКе механизм затвора (втулку, в которую вкручивается досылатель и её потроха) ? Затвор отскакивал при выстреле, сдуру при разборке запорол эту втулку, пришлось напилингом возвращать в исходное. И ещё 2 шарика про,, л. Если есть - скока стоит ?
Belych
23-03-2010 11:52
quote:
Originally posted by Demyan:

Скажи ведь правда, - Что Вайраух 100 страшное уежище



Дёма забыл сказать еще чижаленноесилнетдержать у...ще.
лансах
23-03-2010 14:19
Всех приветствую!У меня, видимо,одна из последних Т-4,булка. Получил я ее в декабре, настрел примерно 1500,Ниче, вааще не делал, даже ни разу ствол не чистил. 270мысов тяжелой jsb плюс минус 1м,шутов много, все время сбиваюсь посчитать, но клипов 7-8 точно(с220 до 100атм),винтовка стреляет гораздо лучше меня, на кучу целенаправленнго отстрела не было, для охоты пристрелял оптику на 50м и пока нам хватает, черные ананасы валятся исправно. Самый большой косяк-2 пульки в стволе, чей косяк не скажу ибо. Это в двух словах, планирую немного переделать буратинку под себя, но обдирать придется все-чем пропитать после переделки? Что нибудь бы попроще, доступнее,живу на Сахалине особого маневра по ассртименту нет. (калибр папский, забыл указать)

------------------
лансах

ОтделпродажДАК
23-03-2010 14:37
quote:
Originally posted by pcmist:
Уважаемый Демьян, пожалуйста расставьте точки над И в плане сервисного обслуживания клиентов. Я в Питере. Нужен спусковой крючок и винт с проушиной для ремня, который вкручивается в ложе. КТО мне его пришлёт ?
Дрикс на Вас кивает, Вы на него...

Дрикс занимается сервисом и тюнингом наших винтовок. Все штатные запчасти заказываются у нас. Все нештатные, типа винта под установку антабки, увы не к нам.

OdinMSC - страшилку какую-то рассказываете, напоминает известный анекдот

Привозите, поможем.

ps: И это - по мылу или телефону тоже можно обращаться.

Demyan
23-03-2010 14:43
Писимист - адрес есть. Вышлем мы. Где мой "Отделпродажнах"?

ОдинМСК - после "супертюнинга" лучше к нам. Как новая не будет, но работать будет нормально. К блэксмиту это на полгода:-)

Ласнах - Тиковое масло есть? Вот им. Точное знание калибра очень помогает правильно пропитывать...

О блин. Надо же.

Видеоролики
Самые новые добавления в архив Фторопласт или капролон или..
Хром и никель
Иж-32БК из коллекции продам
Вопрос любителям ИЖ 46М.
Umarex Walther Lever Action СО2 - ковбой или терпила
Похожие темы Ещё одна ложа на Т4
Я первый что ли? Атчот по Т4 карабин!
Т2, Т3, Т4, Т6, MRV, М2 эксплуатация и техподдержка
Фоты как делается Т4 каким-то англичанином!
Пострелял из свежеприобретённой Т-4 (вер.2 до 24.09.2007)
Страницы: 1  ... 122  123  124  125   [126]  127  128  129  130  ...  264 
Первая    Предыдущая    Следующая    Последняя

  Начало Документация Фирмы/Сайты Фото/голоса птиц Определитель Звуки Реклама Обратная связь FAQ в начало страницы  

2006-2026 topguns.ru   ver. 24.3    redesign & programming lebedev.com

 
Rambler's Top100