Первая
Новые
Читаемые
По алфавиту
Разделы
Авторы
Видео
Фото
Магазин

Пистолет PCP

Галереи:  B50,  CZ200,  Cr1377,  T4,  T4 конкурс      
Страницы: 1  ... 180  181  182  183   [184]  185  186  187  188  ...  193 
Dr.Cat
25-07-2015 23:37
quote:
Изначально написано trionix01:
Кто-нибудь подскажет как она поддаётся обработке напильником, металл калёный?

Напильник спокойно возьмет (по крайней мере у меня спокойно напильник взял сталь-может советский напильник хороший и практически новый не "юзанный" попался мне)

trionix01
26-07-2015 13:21
quote:
Originally posted by Dr.Cat:

Напильник спокойно возьмет



Спасибо. Приедет, буду напильничать.
Ded KVA 321123
26-07-2015 21:17
Братва подскажите где можно купить качественный гладкий ствол для мр656к ,недавно купил такой у Николая Майорова,он оказался колибром 4,6 мм пришлось его выбросить
quote:
[B][/B]

Dr.Cat
26-07-2015 21:29
Стволики от Петра хорошие или искать в оружейном магазине (второй вариант плохой-слишком долго и больше придется заплатить).Вот ссылка для облегчения поиска http://forum.guns.ru/forummessage/25/336599-0.html
trionix01
26-07-2015 21:40
quote:
Originally posted by Dr.Cat:

Стволики от Петра хорошие или искать в оружейном магазине



Я брал У Петра, но пришлось обтачивать (может это только у меня) примерно на пару соток по всей длине до зацепов боевого упора- ствол изначально был больше по диаметру, а так всё нормально.
Alexs-32
27-07-2015 09:02
Привествую, есть несколько вопросов-нужен нормальный чертеж для изготовления рамки-вставки в магазин Тт
-на стр. 18 фото ТТ с очень длинным затвором-было по нему где то инфа давно, никто такой не пользует?
В разделе чертежи для пневмы рамки -вставки нет..
RW
27-07-2015 10:42
quote:
Originally posted by Alexs-32:

есть несколько вопросов-нужен нормальный чертеж для изготовления рамки-вставки в магазин Тт



Рамка магазина МР-656к обрабатывается до нужных размеров в соответствии с внутренней геометрией магазина ТТ и на сколько я помню в этой теме чертежей адаптированной рамки не было.

RuslanU
27-07-2015 23:02
Уважаемый RW а как вы воронили рамку? Хотел заворонить свой затвор красным цветом,но получается какая то хрень, нито медного нито коричневого цвета.
Alexs-32
28-07-2015 04:39
Повторюсь-я ищу чертеж рамки, и знаю что в тема Апа 656 его не было-но на ганзе мелькали чертежи-потому и спросил, может кто качал себе и чертеж в наличии.
То что его нудно подгонять- понятно, но мне бы человеку дать чертежик, а там подгоню, не проблема...
Комрады что делают такие магазины, мне не по карману- цены там заоблачные(Я понимаю что работы много, но не готов столько платить, уж простите, песто много и я на них таким макаром разорюсь, поэтому сам все делаю...)
Периодически появляются комрады на Ганзе, предлагающие такие вставки полуфабрикаты-они ИМХО пользовались бы повышенным спросом, каждый бы седе переделал как надо с готовой заготовки то проще, но почему то на поток так никто их и не поставил- то станков нет, то пескоструя, то фрезера и т.д....были б станки-можно было бы завалить комрадов бюджетными вариантами, да и приработок был бы стабильный-рамки на мр 654-28, 32 и мр 656 были бы востребованны-лично мне нужно на мр 654-32-3 шт, на мр 656-2. Если бы заготовки с массовым производством стоили в пределах 1-1,3 тыра -взял бы с удовольствием и сьэкономил бы свое время...
RW
28-07-2015 15:53
quote:
Originally posted by RuslanU:

RW а как вы воронили рамку? Хотел заворонить свой затвор красным цветом,но получается какая то хрень, нито медного нито коричневого цвета



RuslanU, одного лишь желания получить при воронении деталь нужного цвета не хватит, всё упирается в свойства оксидируемого объекта.
Что касается метода, я уже его описывал выше, подготавливаем металл, шлифуем, полируем и обезжириваем в обычном ацетоне. Берём нержавеющую посудину, щёлочь и селитру сыпем в пропорции (зависит от ёмкости от размера и количества металла), литр очищенной воды + полкило щёлочи + пол кило селитры = раствор который надо довести до кипения. Аккуратно опускаем (лучше всего длинным пинцетом) в раствор наш ранее приготовленный металл, ждём 20 - 40 минут, вынимаем и тут же опускаем в посудину с обычной холодной водой, смываем остатки раствора (руки надо защитить резиновыми перчатками), вынимаем, сушим, обильно смазываем маслом.

megamix81
28-07-2015 17:01
[QUOTE]Originally posted by Alexs-32:

поэтому сам все делаю...)

Если Вы все делаете сами, то почему бы Вам и самому рамку не сделать? Вроде не сложно же. Обточить магазин 656-го, прикрутить голову, поместить его в магазин ТТ, выставить голову магазина по стволику, замерить расстояния, выпилить железяку все подогнать, отдать на сварку, потом обточить и радоваться, кстати и чертежик заодно появится )) С другой стороны когда интегрируют магаз в магаз рамки делают, если заряжание будет происходить снизу, отодвигая пятку. В остальных случаях пневмо магазин приваривается точ.сваркой к оригинальному.

megamix81
28-07-2015 20:01
Всем доброго вечера. Вопрос к уважаемому сообществу. Свой 656-ой изучил и переделал вдоль и поперек. Теперь задумался сделать такой же из макета, как делает уважаемый экономист. Вопрос мой - кто то может быть посоветует фрезеровщика с форума, которому не надо было бы обьяснять что это НЕ оружие и быть таковым не может уже))) ну и который может делал что то подобное и понимал что должно получиться на выходе. Заранее признателен.
Alexs-32
29-07-2015 03:32

318 x 174
Alexs-32
29-07-2015 03:37
Прошу не путать вкладыш в магазин ТТ и стоковый клапанник от мр 656. Изготовить из стокового я могу, делал и по методу уважаемого Штирлица лет 5-6 назад в корпусе ТТ, но вставка в рамку-всяко лучше, ее можно регулировать под любой девайс, а у мну их несколько...Товарищ заказывал тут на ганзе у кого-то-1300 р с пересыло. Нормальная цена.Найти бы у кого-и заказать на наше мр 656-сообщество-из за массы заказов стоимость была бы снижена-я за это кипишую. А пилить и ослаблять стоковую рамку без сварки(у меня ее нет)-не хочу, зло это, видел гнутые в обратку и треснувшие рамки стоковых газ. блоков мр 656.....
RW
29-07-2015 09:34
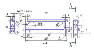
Alexs-32, чертёжик бы с разрешением по больше.
Alexs-32
29-07-2015 10:34
Да он ту есть на Ганзе, почему то скидывается уменьшенный. Поправка- железка - в толщину -10 мм иначе болтается, длину на 3 мм лучше увеличить.
Этот чертеж есть в теме Гуманзоида , предоставил чертеж мой земляк ДЕннис
megamix81
29-07-2015 19:15
[QUOTE]Originally posted by Alexs-32:

Прошу не путать вкладыш в магазин ТТ и стоковый клапанник от мр 656.

Не путаю ничего. Сейчас делаю такую конструкцию. Обточил уже магаз от 656-го. К нему привариваю рамку. Обтачиваю и вставляю в магаз. Стоимость-0.5 сварному и вечер с напильником. Рамка готова. Жаль, что сварной в отпуске. Приварю выложу фото с размерами.

Alexs-32
30-07-2015 03:02
Это хорошо, что есть нормальный сварной....У меня таких знакомых нет...
megamix81
30-07-2015 15:49
Это да, многое становиться проще ))
RW
31-07-2015 07:13
Аргон рулит.
Видеоролики
Тульский Токарева МП 656К
Самые новые добавления в архив Фторопласт или капролон или..
Хром и никель
Иж-32БК из коллекции продам
Вопрос любителям ИЖ 46М.
Umarex Walther Lever Action СО2 - ковбой или терпила
Похожие темы Унифицированный магазин МР-656К
Пневмо-ТТ МР-656К
МР-656К - долгожданный ТТ
Вопрос по МР656 поломка бойка
ТТП из Харькова (обзор, 16 фото).
Страницы: 1  ... 180  181  182  183   [184]  185  186  187  188  ...  193 
Первая    Предыдущая    Следующая    Последняя
Все темы RW


  Начало Документация Фирмы/Сайты Фото/голоса птиц Определитель Звуки Реклама Обратная связь FAQ в начало страницы  

2006-2026 topguns.ru   ver. 24.3    redesign & programming lebedev.com

 
Rambler's Top100